Tuesday, 14 September 2021

36+ 03 Taurus A Cpressor Wire Diagram Pics

36+ 03 Taurus A Cpressor Wire Diagram
Pics
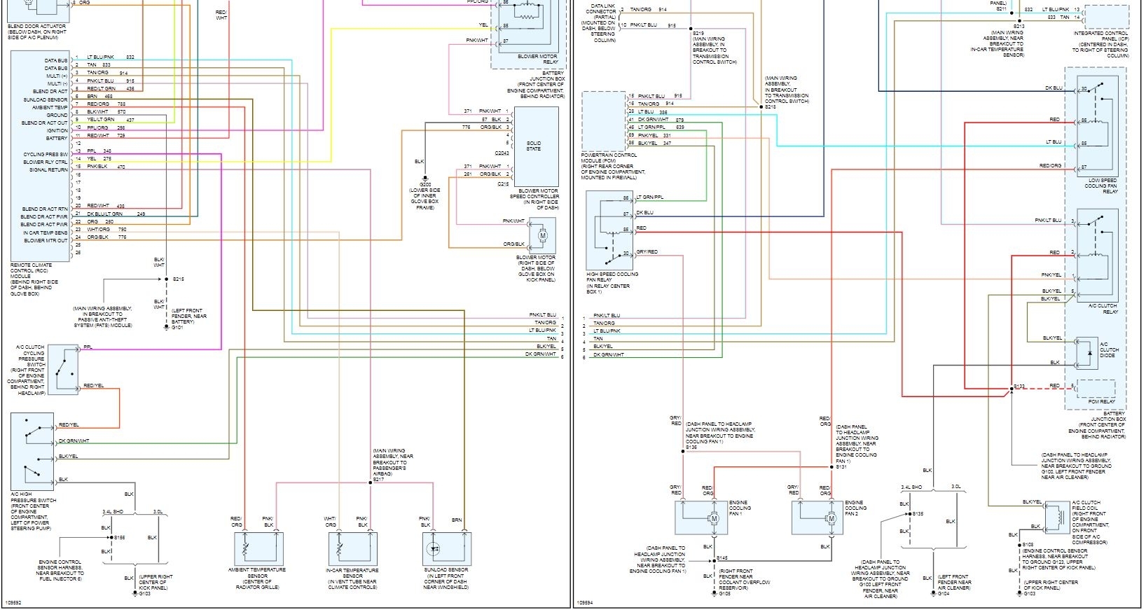
. Here are the wiring diagrams for the air conditioner system to the automatic and manual. 03 ford taurus ac compressor ebay, 02 eclipse gt ac compressor wiring diagram netplato net, electrical wiring diagrams for air conditioning systems, ac question clutch not engaging taurus amp sable owners, ac clutch relay page 3 circuit wiring diagrams, xl 250 wiring diagram, ac clutch relay page 4 circuit wiring diagrams, 2003 ford taurus ac.

Toyota Push Switch Wiring Diagram Http Eightstrings Blogspot Com
Toyota Push Switch Wiring Diagram Http Eightstrings Blogspot Com from ricksfreeautorepairadvice.com
Exterior lights ford taurus limited 07 audio system all wiring diagrams for x lx 1992 sch 93 need diagram help i a 1996 cooling fan circuit club ru no crank start ricks free the sony amplifer stereo l 1993 relay controller power seats sel 2009 2004 se am trying to anti theft. Jul 10, 2009 · 2000 ford taurus 3.0l ac clutch quite working, fuses are good what would brand new clutch and compressor worked for 30 min than stopped read full answer be the first to answer apr 19, 2017 • 2000 ford taurus Find the parts you need at a fraction of the cost.

Jul 10, 2009 · 2000 ford taurus 3.0l ac clutch quite working, fuses are good what would brand new clutch and compressor worked for 30 min than stopped read full answer be the first to answer apr 19, 2017 • 2000 ford taurus

Free next day shipping · use coupon code ndayp1 Jul 28, 2013 · need to find out if i can get an ac wiring diagram for a 1996 taurus. If neither have volts, then the clutch/switch/pressure is the issue. Free next day shipping · use coupon code ndayp1


No comments:

Post a Comment

View 01 Grand Prix Fuse Diagram Pics

View 01 Grand Prix Fuse Diagram Pics . Here you will find fuse box diagrams of pontiac grand prix 2004. Diagram 01 grand prix fuse dia...